Tuoteluokka (ETIM)Sisäänrakennettu hana (EC011327)
Malli / Tyyppisisäänrakennettu
Sopii kylpyammeisiin (asennus seinään sisään)kyllä
Kylpyammeenreunaan/laattareunaan sopivakyllä
Sopii suihkuunkyllä
Sopii pesualtaaseen (asennus seinään sisään)ei
Sopii pesualtaalle (korkea takaseinä asennus seinään sisään)ei
Sopii keittiöönei
Viimeistelykappaleen materiaalimuu
Viimeistelykappaleen pintakäsittelymuu
Perusvärimuu
Korostusvärimuu
Liitäntä menosisäkierre
Syöttöliitoksen kokomuu
Lähtöliitäntöjen määrä2
Vaihtimellaei
Lämpötilarajaei
Lämpötilarajan jälkisäätöei
Kylmäkäynnistystoimintoei
Takaisinjoustovastuksella maksimilämminvesilämpötilalleei
Syrjäytyspysäytyksellä rajatilavuusvirralleei
Takaisinjoustovastuksella maksimivirralleei
Virtaama (300 kPa)0 l/min
TilavuusvirtausluokkaD
Suihkusetilläei
Ulostulollaei
Kiinnityselementillä seinäasennukseenei
Laajennus-sarja saatavillaei
Ulostulon ylityksen pituus0 mm
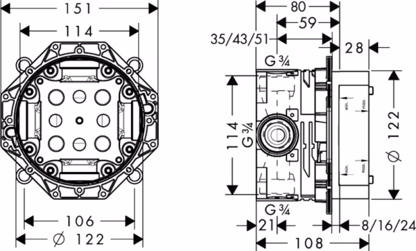
Upotussyvyys80 – 108 mm
Maksimi virtauslämpötila0 °C
Esisuodatusei
Sisältää muuntajanei
Kotelointiluokka (IP)muu
Liitäntäjännite0 V
Automaattinen huuhtelusykliei
Pituus110 mm
Leveys147 mm
Syvyys110 mm
Tyyppihyväksytty BBR / EKS: n mukaanei
Pakkauksen mitat (P x L x K)169 x 161 x 150 mm
Pakkauksen tilavuus4.081 l
Pakkauksen paino1.158 kg
Yksikkökappale






